- Data: 25/10/2025
- Categorias: Estudo de Caso
Como um escritório de advocacia parou de perder tempo com perguntas repetitivas e passou a qualificar clientes 24h por dia.

O Desafio: Uma Equipe Sobrecarregada e Leads Esfriando
A Reis e Morais Advocacia, um escritório de referência em Governador Valadares, enfrentava um desafio comum e custoso: o atendimento manual estava sobrecarregando a equipe.
Perguntas Repetitivas: A equipe passava horas respondendo à mesma pergunta: “Quero saber se consigo me aposentar?”, “Como está o andamento do meu processo?”. Isso drenava um tempo precioso que poderia ser usado em atividades de maior valor.
Demora no Atendimento: Potenciais clientes que entravam em contato pelo WhatsApp precisavam esperar por um atendente disponível. Nessa espera, o lead esfriava e o escritório corria o risco de perder o cliente.
Qualificação Lenta: Cada novo contato exigia um processo manual de perguntas para entender o caso, coletar dados e só então direcionar para o advogado certo, gerando um gargalo no crescimento.
A diretoria sabia que precisava otimizar o processo, mas sem abandonar o sistema que a equipe já dominava e gostava.
A Solução: Um Raio-X Completo e uma Ferramenta Cirúrgica
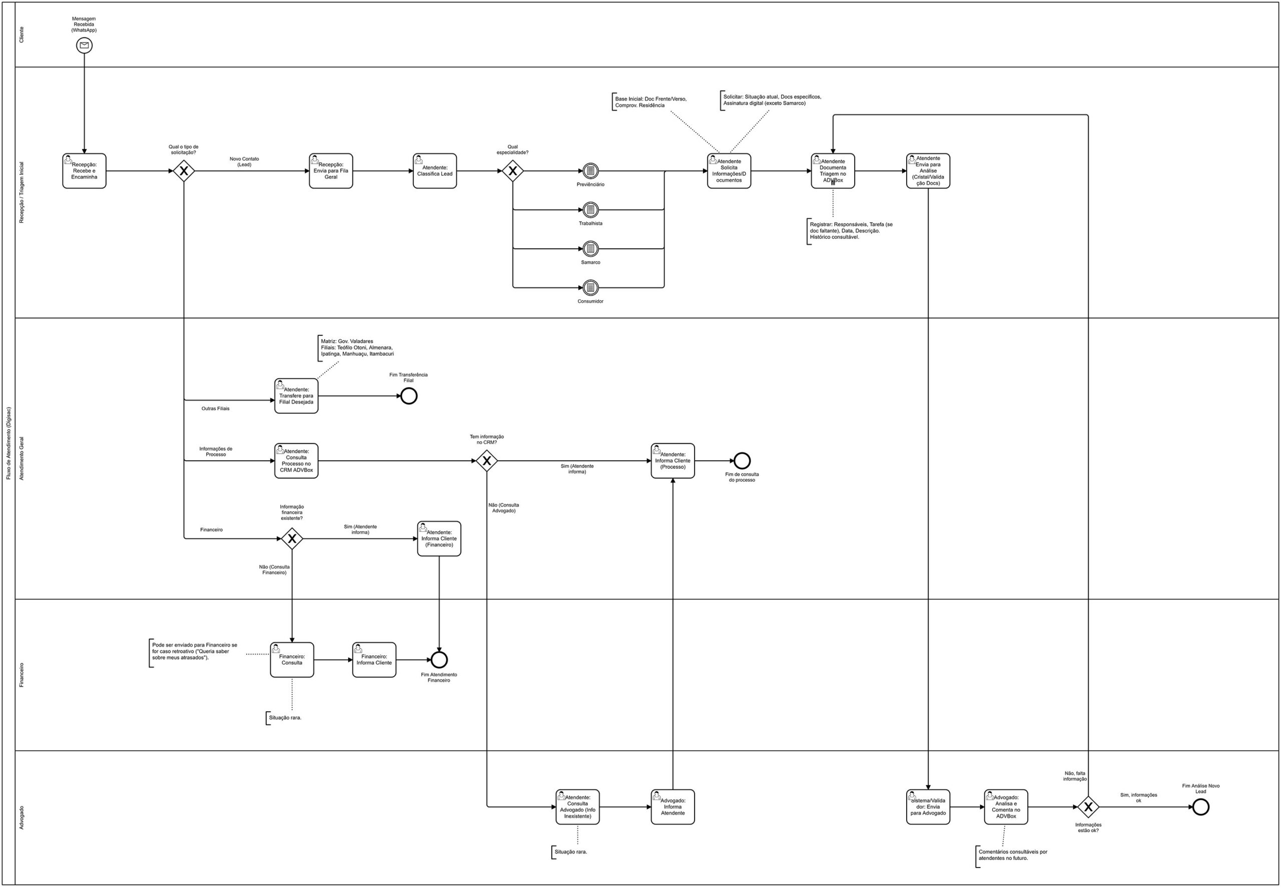
Antes de escrever uma única linha de código, mergulhei na operação do escritório para entender a causa-raiz do problema.
1. Mapeamento do Processo (O Raio-X):
Entrevistei a equipe e desenhei um fluxograma detalhado de todo o processo de atendimento atual. Isso nos permitiu visualizar claramente os gargalos, as tarefas manuais e os pontos de frustração.

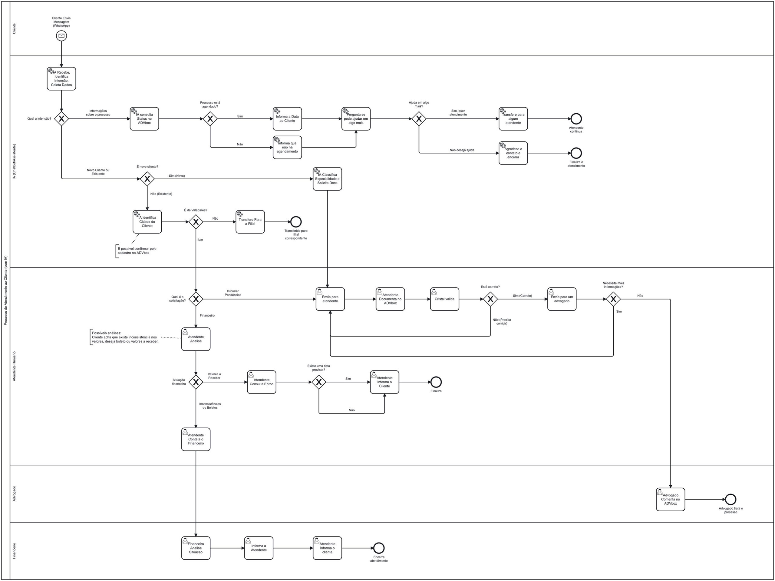
2. O Blueprint da Eficiência:
Com o diagnóstico em mãos, criei um novo fluxograma: um plano de batalha para o futuro. Nele, desenhamos como um Agente de IA poderia se integrar ao fluxo para automatizar a qualificação e as respostas, liberando a equipe humana para atuar de forma estratégica.

3. Desenvolvimento da Solução Sob Medida:
Com o plano validado, desenvolvemos um sistema que funcionou como um “cérebro” para o WhatsApp do escritório, com duas funções principais e uma grande vantagem: integração total com o sistema que eles já usavam.
Agente de IA para Qualificação: Um robô treinado para fazer o primeiro atendimento no WhatsApp, entendendo o caso do cliente, coletando as informações essenciais e identificando se é um novo cliente ou um cliente existente.
CRM Inteligente e Integrado: Desenvolvemos um CRM simples onde a equipe poderia registrar o andamento de cada processo. A “mágica” é que o Agente de IA foi conectado a esse CRM.



A Transformação: Menos Trabalho Manual, Mais Clientes Satisfeitos
O resultado não foi apenas um “sistema novo”, mas uma transformação na forma como o escritório opera.
Fim das Perguntas Repetitivas: Agora, quando um cliente pergunta sobre seu processo, a IA consulta o CRM em tempo real e fornece a informação na hora, 24h por dia, sem precisar de intervenção humana.
Qualificação Imediata de Leads: Nenhum novo cliente fica mais sem resposta. A IA faz a triagem inicial, qualifica o lead e já o entrega “mastigado” para a equipe, que pode focar em fechar o contrato.
Zero Interrupção na Operação: A integração com o sistema existente foi o ponto-chave. A equipe não precisou passar por um novo e doloroso processo de treinamento, adotando a nova ferramenta de forma rápida e natural.
Visão Completa da Gestão: Com o CRM e os dashboards, a diretoria passou a ter uma visão clara de todas as conversas e do funil de novos clientes, permitindo tomar decisões baseadas em dados, não em “achismo”.
Este projeto provou que é possível automatizar e otimizar uma operação sem a necessidade de trocar todas as ferramentas ou gerar estresse para a equipe. Com a estratégia certa, a tecnologia se torna a maior aliada do crescimento.